Model :
DS-108Type :
Plunger PumpStroke :
3.25 Inches / 82.55 mmCylinder Diameter :
25-83mmFlow :
12.5-662.8LPM/3.3-175.1GPMPressure :
7-69MPaShipping Port :
Shanghai Port, ChinaWarranty :
12 MonthsSpecifications:
| Design Standard | API-674,Third Edition |
| Configuration | Horizontal Triplex Plunger |
| Stroke Length | 3.25 Inches / 82.55 mm |
| Continuous Duty | 84 BHP |
| Intermittent Duty | 108 BHP |
| Frame Load Rating | 7,900 lbs / 3583.44 kg |
| Pump Weight | 1,400 lbs / 635.04 kg |
| Intermittent Duty Speed Rating | 500 RPM |
| Continuous Duty Speed Rating | 387 RPM |
| Minimum Speed | 100 RPM |
| Mechanical Efficiency | 90% |
| Lubrication System | Splash, Gravity Return |
| Crankcase Oil Capacity | 4 Gallons / 15.14 L |
| Lube Oil Type | SAE30 |
| Fluid Temperature Range | -20~350°F/-28~176°C |
Performance Data (Metric):
| Pump Model |
Plunger Diameter (mm) |
Displacement (L/REV) |
Maximum Pressure (MPa) |
Pump Capacity (LPM)@Input Speed (RPM) | |||||||||
| 100 | 150 | 200 | 250 | 300 | 350 | 387 | 400 | 450 | 500 | ||||
| DS10808 | 25 | 0.1257 | 69 | 12.5 | 18.9 | 25.0 | 31.4 | 37.5 | 43.9 | 48.4 | 50.3 | 56.4 | 62.8 |
| DS10810 | 32 | 0.1961 | 44 | 19.7 | 29.5 | 39.4 | 49.2 | 58.7 | 68.5 | 75.7 | 78.3 | 88.2 | 98.0 |
| DS10812 | 38 | 0.2824 | 31 | 28.4 | 42.4 | 56.4 | 70.4 | 84.8 | 98.8 | 109.4 | 112.8 | 127.2 | 141.2 |
| DS10814 | 44 | 0.3842 | 23 | 38.6 | 57.9 | 76.8 | 96.1 | 115.4 | 134.4 | 148.8 | 153.7 | 173.0 | 192.3 |
| DS10816 | 51 | 0.5019 | 17 | 50.3 | 75.3 | 100.3 | 125.7 | 150.6 | 175.6 | 194.2 | 200.6 | 226.0 | 250.9 |
| DS10818 | 57 | 0.6351 | 14 | 63.6 | 95.4 | 127.2 | 159.0 | 190.8 | 222.2 | 246.0 | 254.0 | 285.8 | 317.6 |
| DS10820 | 64 | 0.7843 | 11 | 78.3 | 117.7 | 156.7 | 196.1 | 235.4 | 274.4 | 303.6 | 313.8 | 352.8 | 392.1 |
| DS10822 | 70 | 0.9489 | 9 | 95.0 | 142.3 | 189.6 | 237.3 | 284.6 | 331.9 | 367.1 | 379.6 | 426.9 | 474.6 |
| DS10824 | 76 | 1.1291 | 8 | 112.8 | 169.6 | 226.0 | 282.4 | 338.8 | 395.2 | 437.2 | 451.6 | 508.3 | 564.7 |
| DS10826 | 83 | 1.3251 | 7 | 132.5 | 198.7 | 265.0 | 331.2 | 397.4 | 463.7 | 512.9 | 529.9 | 596.5 | 662.8 |
Performance Data:
| Pump Model |
Plunger Diameter (in) |
Displacement (GAL/REV) |
Maximum Pressure (PSI) |
Pump Capacity (GPM)@Input Speed (RPM) | |||||||||
| 100 | 150 | 200 | 250 | 300 | 350 | 387 | 400 | 450 | 500 | ||||
| DS10808 | 1 | 0.0332 | 10060 | 3.3 | 5 | 6.6 | 8.3 | 9.9 | 11.6 | 12.8 | 13.3 | 14.9 | 16.6 |
| DS10810 | 1.25 | 0.0518 | 6450 | 5.2 | 7.8 | 10.4 | 13 | 15.5 | 18.1 | 20 | 20.7 | 23.3 | 25.9 |
| DS10812 | 1.5 | 0.0746 | 4470 | 7.5 | 11.2 | 14.9 | 18.6 | 22.4 | 26.1 | 28.9 | 29.8 | 33.6 | 37.3 |
| DS10814 | 1.75 | 0.1015 | 3280 | 10.2 | 15.3 | 20.3 | 25.4 | 30.5 | 35.5 | 39.3 | 40.6 | 45.7 | 50.8 |
| DS10816 | 2 | 0.1326 | 2500 | 13.3 | 19.9 | 26.5 | 33.2 | 39.8 | 46.4 | 51.3 | 53 | 59.7 | 66.3 |
| DS10818 | 2.25 | 0.1678 | 2000 | 16.8 | 25.2 | 33.6 | 42 | 50.4 | 58.7 | 65 | 67.1 | 75.5 | 83.9 |
| DS10820 | 2.5 | 0.2072 | 1600 | 20.7 | 31.1 | 41.4 | 51.8 | 62.2 | 72.5 | 80.2 | 82.9 | 93.2 | 103.6 |
| DS10822 | 2.75 | 0.2507 | 1330 | 25.1 | 37.6 | 50.1 | 62.7 | 75.2 | 87.7 | 97 | 100.3 | 112.8 | 125.4 |
| DS10824 | 3 | 0.2983 | 1120 | 29.8 | 44.8 | 59.7 | 74.6 | 89.5 | 104.4 | 115.5 | 119.3 | 134.3 | 149.2 |
| DS10826 | 3.25 | 0.3501 | 950 | 35 | 52.5 | 70 | 87.5 | 105 | 122.5 | 135.5 | 140 | 157.6 | 175.1 |
Standard connection sizes:
| Pump Model | Suction (in) | Discharge(in) |
| DS10808-DS10810 | 2.0 | 1.5 |
| DS10812-DS10820 | 3.0 | 1.5 |
| DS10822-DS10826 | 4.0 | 2.0 |
Fluid cylinder materials:
| Fluid cylinder materials | Cast |
| Carbon Steel | Ductile Iron |
| Hi-Strength Carbon Alloy Steel | Aluminum Bronze |
| 304 / 316L / 17-4PH / 2205 / 2507 Stainless Steel |
*Special materials are available upon request

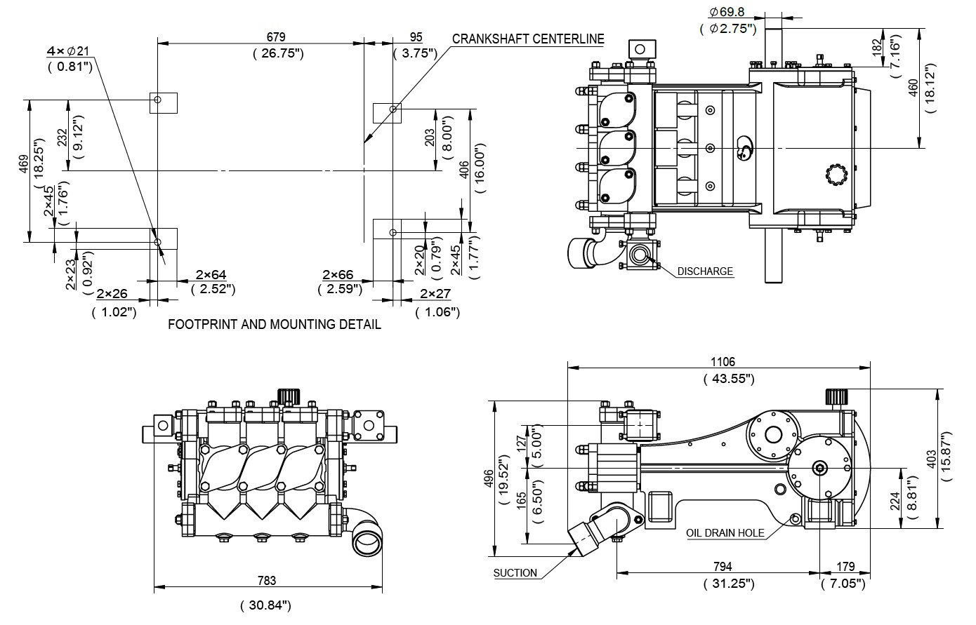
Engineering dimensional outline

